![]() |
![]() |
|
ツーバイフォー(2×4)の構造図の作成、構造計算を行ってます。 構造計算、構造図は、住宅以外にも「老人介護施設」などの比較的大きな建物もお引き受けできます。
当社の構造図は、現場監理用として作成しますので、見易く現場のチェックにも役立つと取引先業者さんからも好評をいただいております。 ご質問、仕事のご依頼、お問い合わせ受付中です。(下記に各サンプル図がありますので、ご覧ください。)
※平成21年6月4日施行「長期優良住宅の普及の促進に関する法律」の長期優良住宅の図面作成等(木造・2×4住宅)に対応。 「長期優良住宅」申請用図面にも対応できます!
2025年法改正により「四号特例」が縮小されます。 木造建築の構造検討がより重要となってきます。 「許容応力度計算」による耐震等級3を基準とした 構造計算および構造計画サポートを行っております。 また省エネ・断熱計算サポートも行っております。 「構造+省エネ」の同時検討により、 より良い住まいづくりの手助けをさせていただきます。
ツーバイフォーのみならず、在来工法も対応可能です。 お気軽にご相談くださいませ。 ページ最新更新日(2022.12.26)
ツーバイフォー工法構造図面販売所サイト ↑現在は販売は行っておりませんが、参考にご覧ください↑
|
◆弊社の主な業務内容
◎在来木造、ツーバイフォー工法の構造計算、構造図面作成。
(性能表示、長期優良住宅、フラット35SのAプラン等、耐震等級2〜3の申請書類に対応しています)
◎在来木造、ツーバイフォー住宅の耐震診断(一般診断、精密診断1)。
◎在来木造、ツーバイフォー工法の構造相談。
その他、各種申請業務、
省エネ関連(低炭素住宅申請、断熱等等級4の計算、省エネ法届書類作成(モデル建物法))も行っております。
◆使用計算ソフト
・ KIZUKURI(木造り)2×4
・ 2×4壁式
・ STRDESIGN(ストラデザイン)
・ 耐震診断Pro
・ A's (エース)
・ QPEX
その他、エクセルシートなど
大型物件にも対応可能です!(要相談)

↑ 100uの大空間を持つ介護施設の躯体写真 (弊社構造設計物件・ツーバイフォー工法)
■ツーバイフォー工法の参考資料集
○ 住宅性能表示・長期優良住宅における2x4構造計算ルート表(PDF)
↑参考資料としてご活用下さい。
●自社で使っている枠組壁工法の現場チェック用リストを無料ダウンロード提供いたします。
ご自由にダウンロードし印刷して使ってください。(PDF)
↓
『Adobe Reader』を持ってない場合は、
からダウンロードしてください。
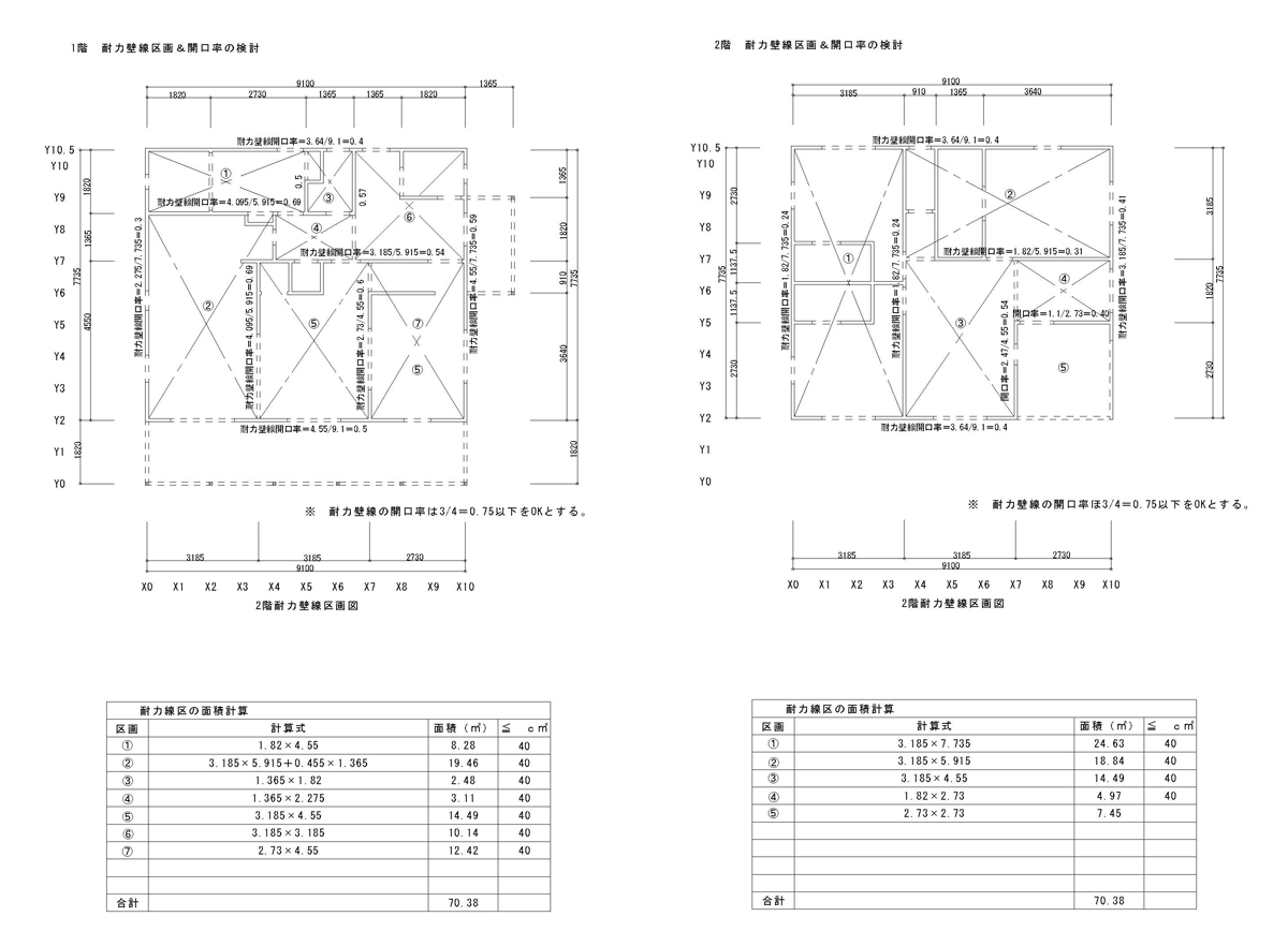
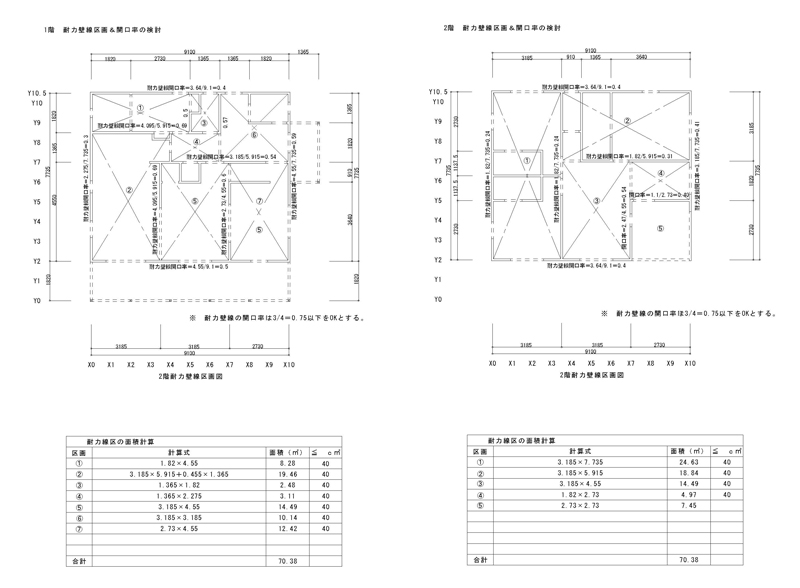
■耐力壁線区画&耐力壁の開口率チェック サンプル例
(1)枠組壁工法(ツーバイフォー)構造図一式作成
構造図作成のご依頼をされる方は、電話及びメールでの依頼後に・・・
枠組壁工法構造図作成依頼書(2007年6月以降版)(PDF)
に必要事項をご記入され、依頼される物件の図面と合わせて当社へ送ってください。
|
※ 土台伏図、2階床伏図 ※ 1階小屋伏図兼2階天井伏図、2階小屋伏図 ※ 1階たて枠図、2階たて枠図 ※ 軸組図、妻壁詳細図 ※ その他オプションにて、基礎伏図、矩計図等も作成いたします。 |
(2)枠組壁工法(ツーバイフォー)構造計算
枠組壁工法専用の構造計算ソフト(KIZUKURI 2x4)で、安全を確かめながら構造図を作成します。
構造計算書をご注文の方は、計算料金を申し受けます。

↑必要壁量の算定、および偏心率

↑壁の鉛直軸力計算

↑まぐさの設計計算

↑接合部の設計計算
※ 構造計算のみでも承ります。(確認用、長期優良住宅用)
(3)枠組壁工法(ツーバイフォー)接合部検討
当社独自の構造設計で安全性を検証します。
↓PDFファイルでサンプルをご覧ください。ご参考にどうぞ。
(4)枠組壁工法(ツーバイフォー)構造図プラン販売←現在休止中です。
↑安全安心な構造に重視したツーバイフォー住宅プランを提案しています。
ご希望であれば、お客様にあったプランの作成依頼も承っています。(分譲用、注文用)
・ツーバイフォー工法構造図面販売所サイト←現在休止中(サイトは見れます)
販売は休止してますが、参考にご覧ください。
◎ご注文方法◎
一級建築士事務所
宮野建築設計事務所
〒755-0083
山口県宇部市南小羽山町1丁目3-12
TEL 0836-33-2013
FAX 0836-32-7214
|
○Eメールでの注文
|
|
ご質問、お見積もりなど受けます。
|
|
○電話でのご注文
|
|
次の電話番号にご連絡下さい。ご注文、ご質問承ります。 0836-33-2013(共用) |
|
○FAXでのご注文
|
|
FAXでのご注文を受け付けております。 0836-32-7214(FAX) |
お見積や打ち合わせは、電話・FAXで行い、良ければ契約させて頂きます。
※ 近県の方には、2×4資材業者(フレーミング工事を含む)をご紹介いたします。
○現場組用構造図作成価格
07年基準法改正後は、1件1件お見積いたしますので、
まずは電話やメール、FAXでお問い合わせください。
※平面図、立面図を送っていただきますと速やかに見積りさせていただきます。
(尚、物件によりましては、ご要望にお答えできない場合もありますので予めご了承下さい。)
◎作成・納品の主な流れついて(概要)◎
まずは、お見積り依頼、お仕事の依頼をメール、FAX又はお電話にてお願いします。
その際、お見積りに必要な平面図、立面図、高さのわかる図面があれば、送ってください。
↓
メール、FAX又は電話にて、ご返事させていただきます。
お見積りなどでお仕事のご依頼が成立しましたら・・・
構造図作成に必要な資料をお送りください。
↓
資料を受け取り後、電話・FAXでの打ち合わせ。
↓
打ち合わせ完了後、作成開始。
↓
中間チェックをFAXorメールで送ります。
↓
訂正変更などをFAXorメールにて提示ください。
↓
最終確認。
↓
お支払いいただき。
↓
納品。(主にPDFデータでの受け渡しとなります)
通常、お仕事のご依頼を頂いてから、1週間ほどで納品可能です。
(物件によりお時間のかかる場合や短縮できる場合があります)
◎構造計算、構造図作成に必要な書類、図面の例◎
|
○建物仕上表 ○平面図・立面図 ○1階の耐力壁線区画のわかる図面(基礎伏図など) ○矩計図(又は階高のわかる図面) ○開口部ROW、ROHのわかる図面(建具表など) |
※ 上記のものをご依頼確認後に、郵送、メールもしくはFAXなどにてお送りください。
◎お支払方法◎
最終図面は、指定料金をお振込みいただき確認後に発送いたします。(初回は必須)
2回目以降は、相談の上。
◎訂正変更など◎
訂正・変更につきましてはFAX等にてご指示下さい。
大幅な変更(設計変更等)には、別途費用がかかる場合があります。(要相談)
◎構造図作成、構造計算の主な仕事実績◎
山口県内のツーバイフォー住宅施工会社様
東京都、大阪府、神奈川県、千葉県、長野県、山梨県、茨城県、愛知県、京都府、兵庫県、島根県、福岡県、鹿児島県
・・・等の設計事務所及びツーバイフォー住宅施工会社様
セルフビルダーのお客様